
①位置指示器
②对开环
③干式杆,不与来自管路保护的流体接触
④带有牢固支撑环的衬砌,可互换、防真空;拆卸/组装简单,在安装过程中无挤出现象、无延伸、无橡胶磨损;适合于高速流体。
⑤扁平的已机加工的圆盘,均匀压缩,无过大应力;磨损减小、密封性良好。
⑥仅有两个浸水部件
⑦外观尺寸和安装板符合DIN和ISO标准;可用于薄片,按尺寸大小带内螺纹、凸缘的、或双法兰连接。
⑧圆盘/轴承通过正方形连接;自阀体:定习圆盘,无需销子或螺栓,因而无裂缝腐蚀现象。
⑨高性能DU-衬套最小扭矩,无需维护。
⑩按ISO 5211标准颈法兰。
| 与介质接触 | 材料名称 | 适应尺寸 | PH值 | 氯含量 | 适用温度 | 材质特点 | 应用介质 |
| 蝶板 | SAF2507超级双项钢表面质量S3 | DN40~1200 | ≥3.0 | <30.000 | ≤35~150℃ | 特耐磨、耐腐蚀、 宜高流速冲击 |
石灰石浆液 石膏浆液、 Gipsum浆液、 工艺水、 废水 |
| DIN1.4529超级双项不锈钢 | ≥5.0 | <5.000 | |||||
| C276耐腐蚀镍基硬合金表面质量S3 | ≥2.5 | <50.000 | |||||
| CF3M超低碳不锈钢 | ≥5.0 | <5.000 | 耐腐蚀 | 工艺水、废水等 | |||
| 阀座(阀衬) | CSM弹性胶 | ≥0 | <150.000 | 耐磨、耐腐蚀 | 石膏浆液、 洗涤浆液、 Gipsum浆液、 工艺水、 废水 |
||
| EPDN三元乙丙橡胶 | >2.5 | 宜高流速冲击 |
| 阀体 | 阀板 | 转轴 | 衬套 | 阀座 | ||||
| 材料名称 | 代号 | 材料名称 | 代号 | 材料名称 | 材料名称 | 材料名称 | 代号 | 适用温度 |
| 灰铸铁 | Z | 电镀球墨铸铁 | B1 | 不锈钢 碳钢 |
润滑青铜 聚四氟乙烯 |
天然胶NR | X1 | -20~+85℃ |
| 球墨铸铁 | Q | 铝青铜 | B2 | 海帕伦 | X2 | -18~+135℃ 短时 -18~+149℃ |
||
| 铝青铜 | T | ZG1Cr13Ni9Ti不锈钢 | B3 | 乙丙橡胶 | X3 | -45~+135℃ 短时 -50~+150℃ |
||
| ZG1Cr13Ni9Ti不锈钢 | P | 钛钢 | B4 | 氯丁橡胶 | X4 | -7~+93℃ 短时 -7~+107℃ |
||
| CF8M不锈钢 | R | CF8M不锈钢 | B5 | 丁腈橡胶NBR | X5 | -12~+85℃ 短时 -12~+93℃ |
||
| 碳钢 | C | 碳钢 | B6 | 耐磨橡胶 | X6 | -10~+50℃ | ||
| - | - | - | - | 氟橡胶 | X7 | -23~+135℃ | ||
| - | - | - | - | 耐热乙丙橡胶 | X9 | -20~+150℃ | ||
| - | - | - | - | 聚四氟乙烯 | F4 | +10~+150℃ | ||
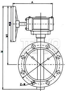
| 公称通径 DN |
L | D | D1 | Z-Φ | H | H1 | A | B | Do |
| 40 | 33 | 150 | 110 | 4-18 | 350 | 270 | 193 | 125 | 150 |
| 50 | 43 | 165 | 125 | 4-18 | 360 | 280 | 193 | 125 | 150 |
| 65 | 46 | 185 | 145 | 4-18 | 385 | 295 | 193 | 125 | 150 |
| 80 | 46 | 200 | 160 | 8-18 | 396 | 300 | 193 | 125 | 150 |
| 100 | 52 | 220 | 180 | 8-18 | 430 | 315 | 193 | 125 | 150 |
| 125 | 56 | 250 | 210 | 8-18 | 460 | 335 | 193 | 125 | 150 |
| 150 | 56 | 285 | 240 | 8-22 | 485 | 345 | 193 | 125 | 150 |
| 200 | 60 | 340 | 295 | 8-22 | 630 | 455 | 283 | 165 | 220 |
| 250 | 68 | 395 | 350 | 12-22 | 690 | 484 | 283 | 165 | 220 |
| 300 | 78 | 445 | 400 | 12-22 | 770 | 530 | 334 | 175 | 280 |
| 350 | 78 | 505 | 460 | 16-22 | 830 | 560 | 334 | 175 | 280 |
| 400 | 102 | 565 | 515 | 16-26 | 910 | 595 | 425 | 210 | 320 |
| 450 | 114 | 615 | 565 | 20-26 | 938 | 618 | 425 | 210 | 320 |
| 500 | 127 | 670 | 620 | 20-26 | 993 | 650 | 425 | 210 | 320 |
| 600 | 154 | 780 | 725 | 20-30 | 1131 | 718 | 425 | 210 | 320 |
| 700 | 165 | 895 | 840 | 24-30 | 1476 | 998 | 620 | 320 | 400 |
| 800 | 190 | 1015 | 950 | 24-33 | 1533 | 1008 | 620 | 320 | 400 |
| 900 | 203 | 1115 | 1050 | 28-33 | 1655 | 1070 | 620 | 320 | 400 |
| 1000 | 216 | 1230 | 1160 | 28-36 | 1765 | 1125 | 620 | 400 | 400 |
| 1100 | 230 | 1340 | 1270 | 32-36 | 1880 | 1184 | 620 | 400 | 400 |
| 1200 | 254 | 1455 | 1380 | 32-39 | 1995 | 1240 | 620 | 400 | 400 |
| 公称通径 DN |
L | D | D1 | Z-Φ | H | H1 | A | B | Do |
| 50 | 108 | 165 | 125 | 4-18 | 310 | 227 | 193 | 125 | 150 |
| 65 | 112 | 185 | 145 | 4-18 | 333 | 240 | 193 | 125 | 150 |
| 80 | 114 | 200 | 160 | 8-18 | 423 | 323 | 193 | 125 | 150 |
| 100 | 127 | 220 | 180 | 8-18 | 440 | 330 | 193 | 125 | 150 |
| 125 | 140 | 250 | 210 | 8-18 | 455 | 330 | 193 | 125 | 150 |
| 150 | 140 | 285 | 240 | 8-22 | 510 | 368 | 193 | 125 | 150 |
| 200 | 152 | 340 | 295 | 8-22 | 614 | 444 | 283 | 165 | 220 |
| 250 | 165 | 395 | 350 | 12-22 | 680 | 483 | 283 | 165 | 220 |
| 300 | 178 | 445 | 400 | 12-22 | 776 | 554 | 334 | 175 | 280 |
| 350 | 190 | 505 | 460 | 16-22 | 840 | 588 | 334 | 175 | 280 |
| 400 | 216 | 565 | 515 | 16-26 | 858 | 596 | 425 | 210 | 320 |
| 450 | 222 | 615 | 565 | 20-26 | 993 | 686 | 425 | 210 | 320 |
| 500 | 229 | 670 | 620 | 20-26 | 1056 | 721 | 425 | 210 | 320 |
| 600 | 267 | 780 | 725 | 20-30 | 1161 | 771 | 425 | 210 | 320 |
| 设计方案 | 优点 | 缺点 |
| 直接硫化阀座 | 连接紧密、没有压缩和拉伸、 没有安装问题 |
阀座不能更换 |
| 松阀座 | 阀座可以更换 | 有压缩和拉伸的危险、 不适合真空和高速流动应用 不易维护,阀座易损坏 |
| 靠背环设计阀座 | 阀座可以更换、没有压缩和拉伸、 没有安装问题、全真空应用 |
- |